近日,安博网页版晋强教授团队提出了一种新型路面病害检测方法,该成果以“Pavement crack instance segmentation using YOLOv7-WMF with connected feature fusion”为题发表于国际著名期刊《Automation in Construction》。

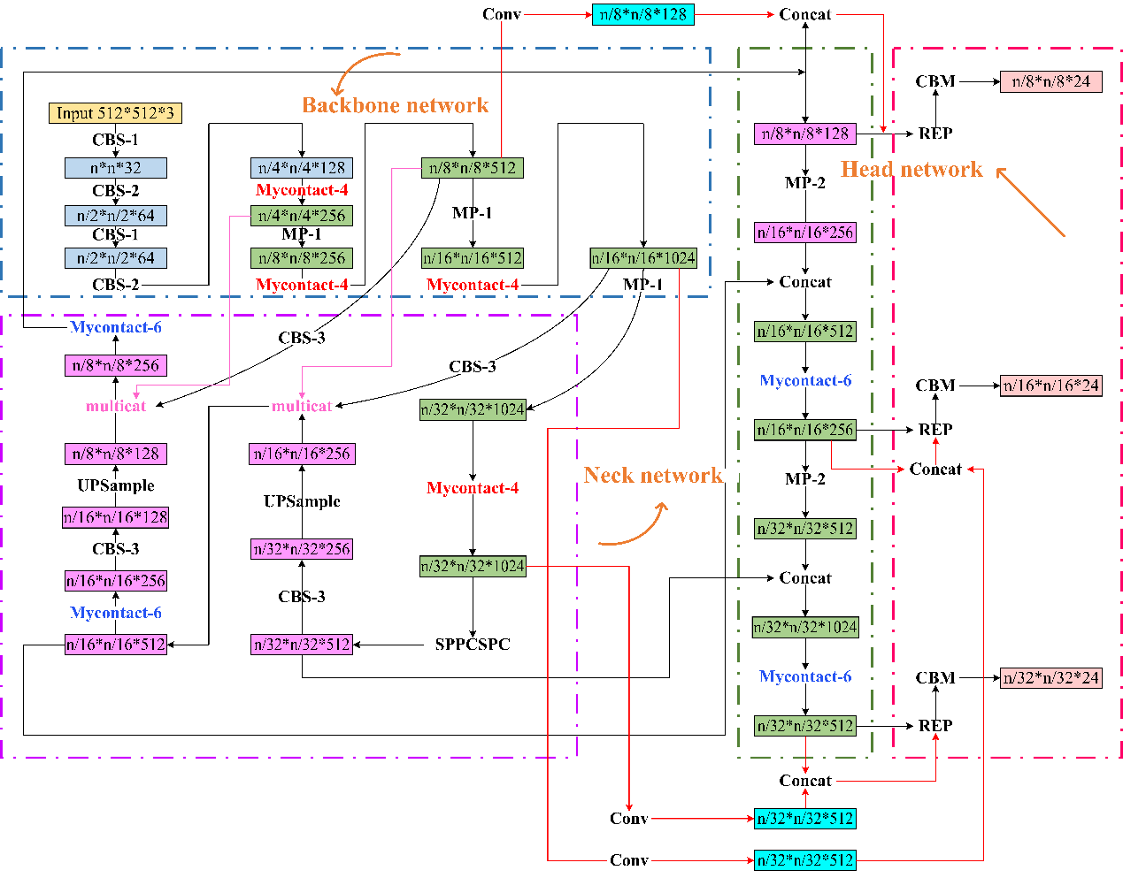
混凝土损伤的检测和分类对于保持基础设施的良好应用状态至关重要,传统的语义分割方法通常无法提供准确的裂缝边界信息,从而限制了进一步的定位和测量。本研究采用WMF自研模块改进了YOLOv7网络架构(图1)。

图1 改进后的YOLOv7模型框架
该网络包括三个不同的自定义模块,优化了算法特征缺失、识别帧过小、以及梯度问题,提高了模型的准确性,可适应不同大小、曝光度、噪声的数据集,具备良好的稳定性和鲁棒性。图2为YOLOv7模型与多个传统模型的可视化对比。

图2 YOLOv7-MWF模型与传统模型的可视化对比
该研究通过改进的YOLOv7网络模型实现混凝土裂缝的实例分割,突破了传统语义分割的局限性,从而更准确的检测、定位和分割目标对象,提高混凝土裂缝检测的精度,为后续混凝土裂缝检测与分析提供了基础。该研究在土木工程及水利工程结构健康监测领域具有显著的应用前景。
安博网页版周满旭、叶冠廷以及徐州工程学院李赛为本文的数据集制作和模型优化作出较大贡献,安博网页版晋强教授为通讯作者。该成果是该团队首次在结构健康监测(Structural Health Monitoring)领域取得的重大进展。
本文得到2022年新疆自治区级大学生创新项目(Grant No.S2022107580107)和新疆水利工程安全与水灾害防治重点实验室的大力支持。







